远泰电器
语言
中文
English
首 页
关于我们
新闻动态
产品中心
工程案例
资料下载
联系我们
控制与保护开关电器
双电源自动转换开关
负荷隔离开关
软启动器
智能仪表产品
自复式过欠电压保护器
断路器系列
微型断路器系列
产品描述
特性参数
产品指标
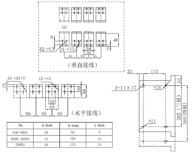
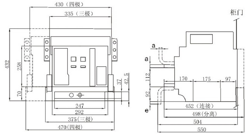
安装尺寸